(86) 15138926050

TE Series Large Piling Elastomers

Exceptional Care Provided by Highly Experienced Dental Professionals

TE Series Large Piling Elastomers

TE Series Large Piling Elastomers are specifically designed to enhance the performance and extend the service life of large pile hammers. They provide effective vibration damping and shock absorption between the pitman and driver, reducing wear on critical components and ensuring stable operation under high-intensity working conditions. With excellent shear load capacity and optimized transmission clearances, these elastomers are ideal for long piling projects, pile extraction, and handling large pipe sections, significantly improving operational efficiency while minimizing temperature fluctuations and maintenance costs. By using large piling elastomers, you not only extend the lifespan of pile hammers but also enhance equipment safety and operational stability, providing a reliable solution for vibration control and shock absorption in heavy-duty piling applications.
TE Type Large Piling Elastomers

TE Series Large Piling Elastomers are specifically engineered to provide superior vibration damping and shock absorption between the pitman and driver of large pile hammers. Their primary purpose is to protect critical components from excessive mechanical stress and reduce wear during high-intensity operations. These elastomers ensure that the hammer operates smoothly and consistently, even under challenging conditions such as long piling projects or pile extraction. By absorbing and dispersing vibration energy, TE Series Elastomers minimize cumulative fatigue in the machinery, reduce maintenance requirements, and prevent unexpected downtime. This not only safeguards the investment in heavy piling equipment but also improves overall project efficiency. In essence, TE Series Elastomers are a crucial component that enhances operational reliability, prolongs equipment life, and contributes to safer, more stable piling operations in demanding industrial environments.

TE Series Elastomers are ideal for projects that involve high-impact operations and require consistent vibration control. They excel in long piling jobs where pile hammers continuously apply force to long pipe sections, environments where uncontrolled vibration could quickly damage critical components. These elastomers are also well-suited for pile extraction operations, especially when dealing with resistant soil layers or challenging site conditions, as they absorb excessive shocks and maintain smooth equipment operation. Additionally, they are highly effective during the handling of large or heavy pipe sections, ensuring stable transmission of power without causing equipment strain. Essentially, any heavy-duty piling project that demands high load capacity, operational precision, and extended machinery life can benefit significantly from the use of TE Series Large Piling Elastomers.

TE Series Large Piling Elastomers stand out due to their superior design and high-performance materials. They offer significantly higher shear load capacity, enabling them to withstand intense impacts and vibrations that would challenge standard elastomers. The optimized transmission clearances in TE Series ensure smoother power transfer, reducing operational temperature fluctuations and enhancing long-term equipment stability. Made from high-performance industrial elastomers, these components are highly resistant to wear, temperature extremes, and environmental stress while maintaining excellent elasticity and rebound properties. Compared to standard models, TE Series not only extends the service life of pile hammers but also reduces maintenance costs, improves operational efficiency, and minimizes noise and vibration at the construction site. They provide a reliable, durable, and high-performance solution tailored for modern heavy-duty piling projects that require safety, efficiency, and consistent performance.

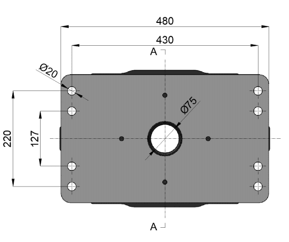
Installation Diagram of TE-485315350-20 Large Piling Elastomers

The large vibration damper functions primarily through shear deformation, effectively absorbing substantial vibration energy during operation.

Parameter Table of TE-485315350-20 Large Piling Elastomers

Installation Diagram of TE-485300350-15 Large Piling Elastomers

The large vibration damper functions primarily through shear deformation, effectively absorbing substantial vibration energy during operation.

Parameter Table of TE-485300350-15 Large Piling Elastomers

If you like this TE Series Large Piling Elastomers but have any concerns or are not fully satisfied with certain aspects, feel free to contact us with your feedback. We can customize it by creating a new mold based on your specific requirements. Our professional engineers will provide a free design service!
For any inquiries, please contact us at: [email protected]

Problem not solved? Click here.